继电器节电器电路原理图-上海上继科技有限公司
发表时间:2023-12-11 10:12 浏览次数:139 〖返回〗继电器通常在可以启动机械金属接触器运动的电流水平下运行。建立接触后,保持导体板保持连接所需的电流水平实际上小于启动接触的电流。
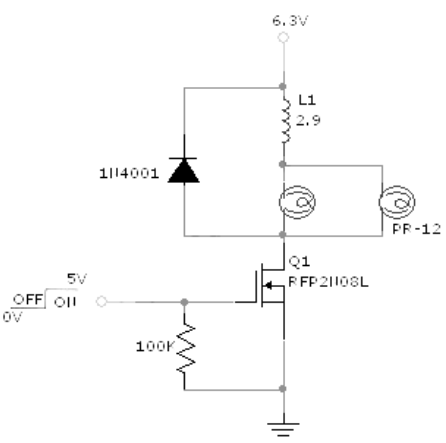
该节电电路似乎具有与浪涌保护器相反的机制。该电路提供浪涌电流来启动机械运动,但之后,该电路会节流电流以节省电力,提供较低的电流水平只是为了保持触点保持连接。这是电路原理图:

该电路的机制与电流浪涌保护器类似,但实现方式相反。如果我们使用负系数压敏电阻,这里我们使用一种正系数压敏电阻,其电阻随着温度的升高而增加。
这种压敏电阻实际上是一个白炽灯泡,两个灯泡并联。在寒冷的温度下,该灯泡的电阻非常低,这确保继电器有足够的电源来启动其接触器的机械运动。
继电器工作后,灯泡温度的升高将使电流降低到较低水平,从而节省电能,同时保持接触器保持连接状态。这就是这个节电电路的全部机制。
公司介绍:上海上继科技有限公司是一家专业从事电力系统继电保护及智能电网电力自动化产品的研发、设计、生产、销售和服务为一体的高科技公司。拥有资深继电保护专家团队和国内**的检测仪器及校验设备。同时还引用国内外先进技术,来进行技术创新。本公司的产品广泛用于电力、工矿、铁路、建筑等国家重大工程输配变电系统上,产品远销东南亚及中东地区。产品通过国家继电保护及自动化设备质量监督检验中心检测,获得ISO9001国际质量体系认证。“科技创新,诚信务实”是公司的经营理念,本公司以高超的技术支持和对用户高度负责的售后服务赢得了输配电成套企业的信赖,且树立了良好的信誉。
公司主营:继电器(时间继电器,电压继电器,电流继电器,中间继电器,信号继电器,闪光继电器,冲击继电器,同步检查继电器,接地继电器,差动继电器,重合闸继电器,绝缘监视继电器,双位置继电器,模数化继电器),智能操控装置,微机保护装置,电力仪表
上海上继科技有限公司(专注电力保护继电器生产厂家)销售热线:021-57233089 QQ:1932551438
{以上内容仅供参考,上海上继科技有限公司有最终解释权}
更多继电器精彩文章——配电箱安装和明装有点搞混了?
- 上一篇:如何正确使用以确保舌簧继电器的可靠性?
- 下一篇:如何选择配电箱?应该选择什么型号?









